·应用领域:
■通信系统;
■服务器系统;
■办公自动化系统;
■机房网络、服务器设备等。
·方案特点:
■性价比高:技术完整,整机利用率高,小投入即可完成设计需求;
■可用性强:UPS系统组成简单,按供电类型可适用于所有保护性负载设备;
■利用率高:供电负载定量,无需考虑系统的后期扩容,可以不使用并机机型的UPS。
·单机运行方案:
随着UPS核心技术发展,整机的性能日趋完善。用户可以根据使用的负载类型(容性负载、阻性负载、感性负载)和实际负载功率,选择类型相匹配和容量合理的UPS单机运行。
单机系统的组成由UPS主机、后备电池组+电池直流断路器、相关的输入、输出配电系统,检修维护配电,应急市电配电等。
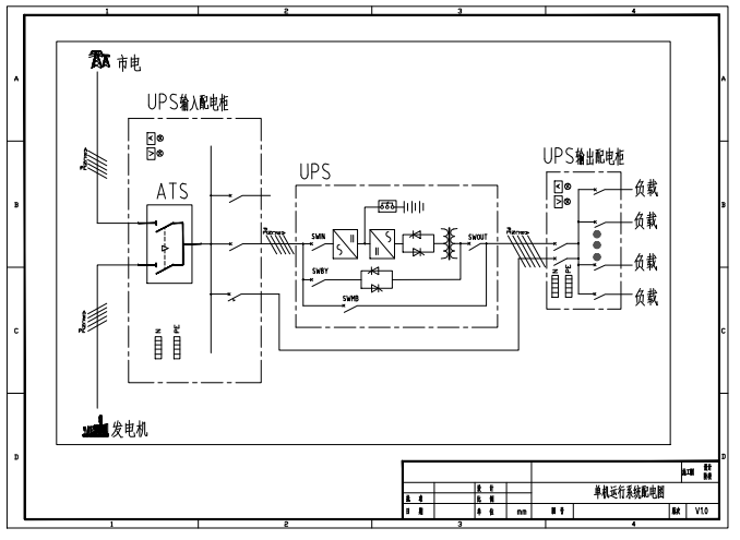
·单机运行方案图:
运行示意图:
	
 
	
供电原理图:
	 
 

 
						



 
			 Copyright © 2003 - 2023 . All Rights Reserved
 
		Copyright © 2003 - 2023 . All Rights Reserved